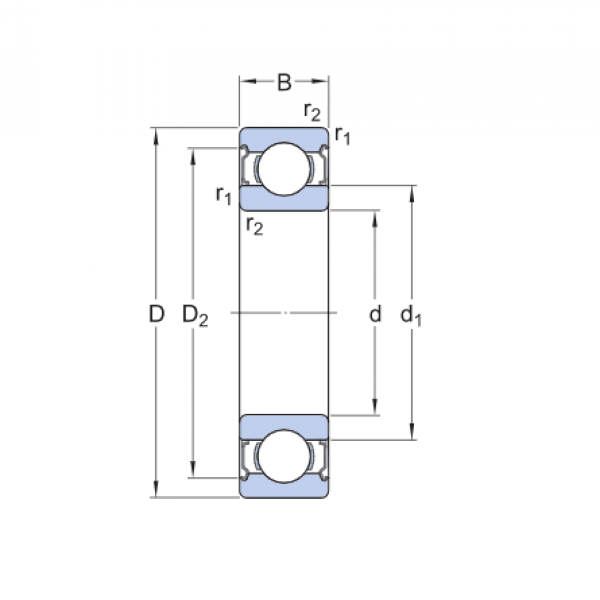
Ložisko 6013 2RS C3 - ZLK

Rozmer: 65x100x18 Značka: ZLK
Externý sklad na dopyt
+
-
ks