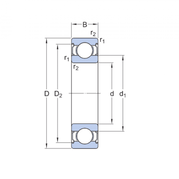
Ložisko 6013 2RS - FAG

Rozmer: 65x100x18 Značka: FAG
Externý sklad na dopyt
+
-
ks