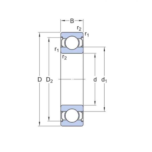
Ložisko 6013 2RS - ZKL NEW

Rozmer: 65x100x18 Značka: ZKL
Externý sklad na dopyt
+
-
ks