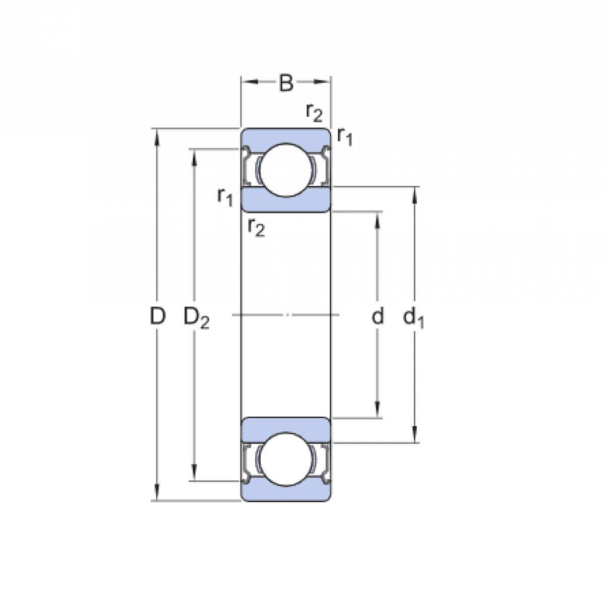
Ložisko 6013 2Z C3 - CX

Rozmer: 65x100x18 Značka: CX
Skladom 2 ks na dopyt
+
-
ks