Ložisko 6013 2Z C3 - SKF

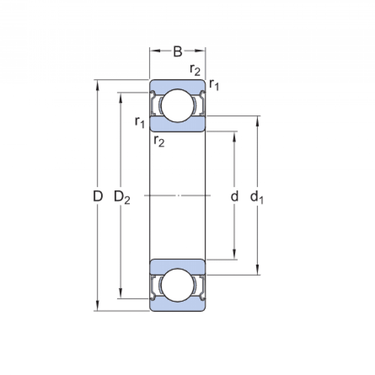
Rozmer: 65x100x18 Značka: SKF
Skladom 10 ks na dopyt
+
-
ks