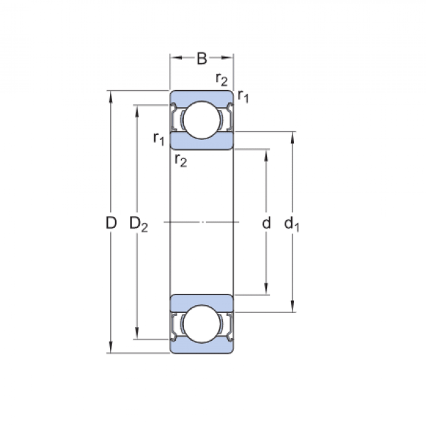
Ložisko 6014 2RS - BBC

Rozmer: 70x110x20 Značka: BBC
Externý sklad na dopyt
+
-
ks