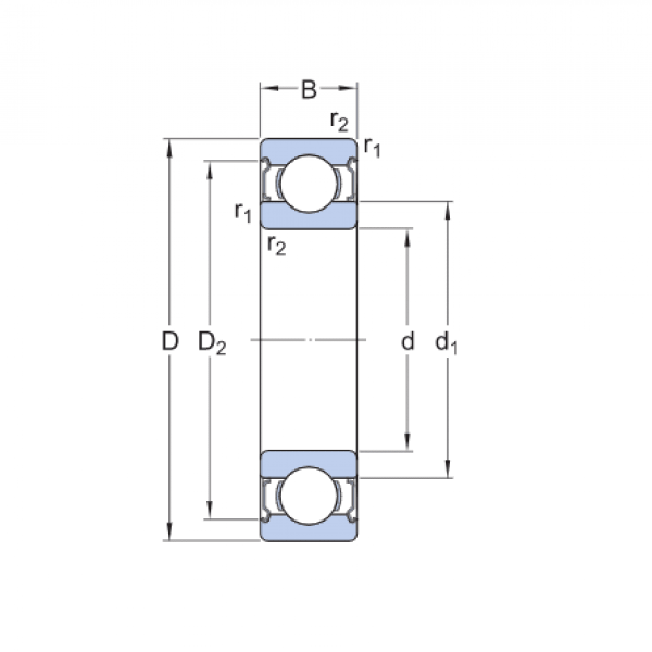
Ložisko 6014 2RS C3 - CX

Rozmer: 70x110x20 Značka: CX
Externý sklad na dopyt
+
-
ks