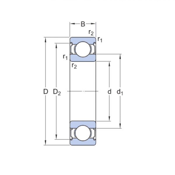
Ložisko 6014 2RS C3 - ZVL

Rozmer: 70x110x20 Značka: ZVL
Skladom 1 ks na dopyt
+
-
ks