Ložisko 6014 2RS - MTM

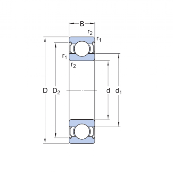
Rozmer: 70x110x20 Značka: MTM
Skladom 6 ks na dopyt
+
-
ks