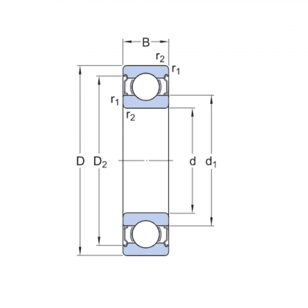
Ložisko 6014 2RS - ZKL NEW

Rozmer: 70x110x20 Značka: ZKL
Externý sklad na dopyt
+
-
ks