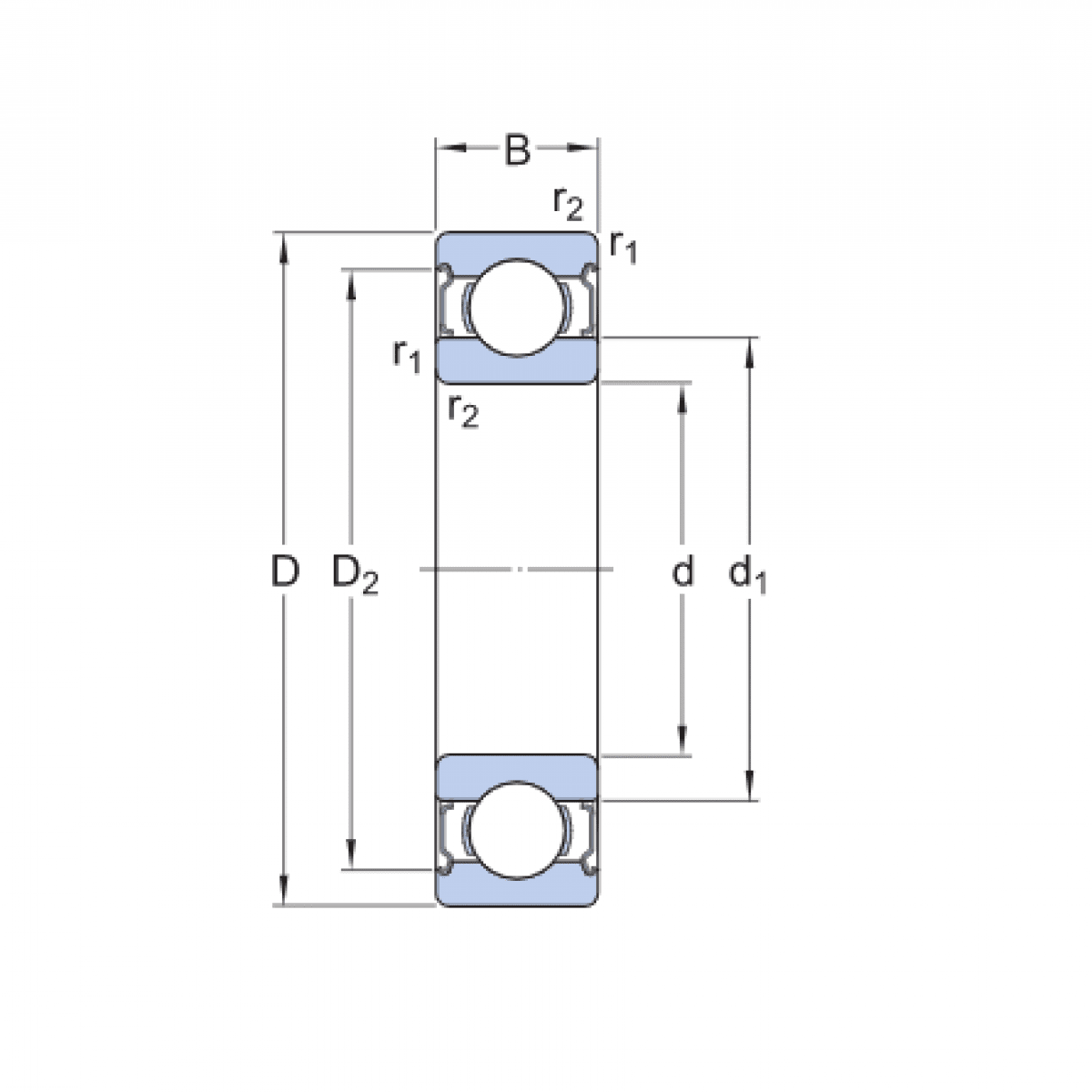
Ložisko 6014 2ZR - FAG

Rozmer: 70x110x20 Značka: FAG
Externý sklad na dopyt
+
-
ks