Ložisko 6014 C3 - ZKL NEW

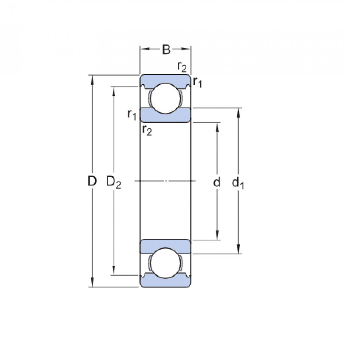
Rozmer: 70x110x20 Značka: ZKL
Externý sklad na dopyt
+
-
ks