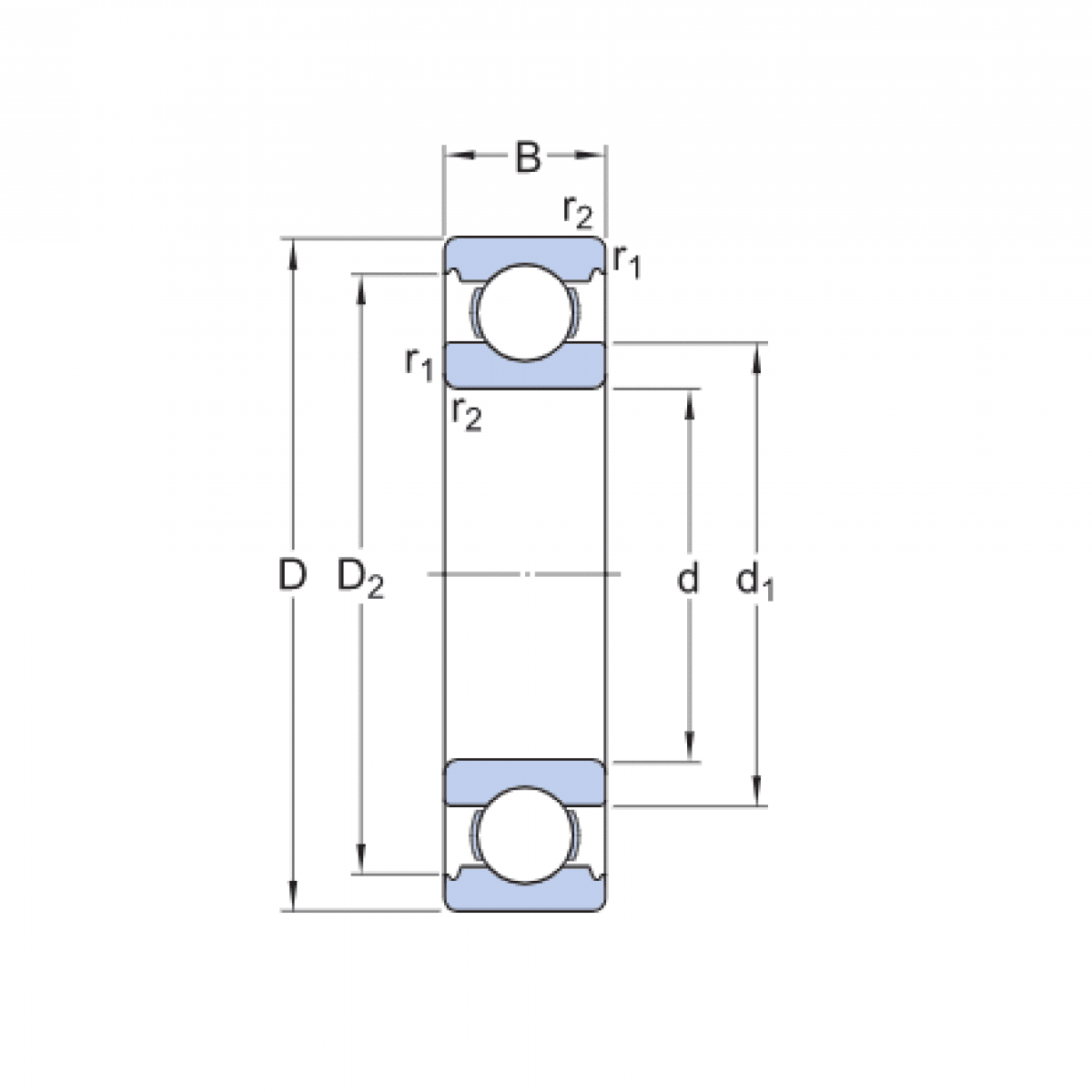
Ložisko 6014 P5 /URB

Rozmer: 70x110x20 Značka: URB
Externý sklad na dopyt
+
-
ks