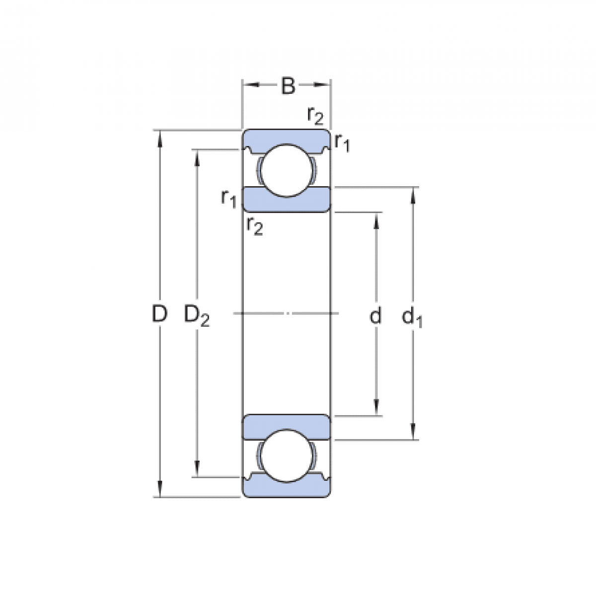
Ložisko 6014 - SKF

Rozmer: 70x110x20 Značka: SKF
Externý sklad na dopyt
+
-
ks