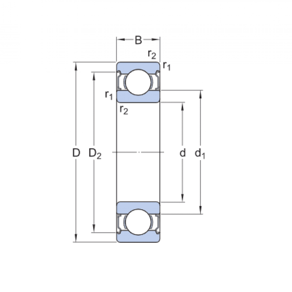
Ložisko 6015 2RS C3 - SKF

Rozmer: 75x115x20 Značka: SKF
Skladom 15 ks na dopyt
+
-
ks