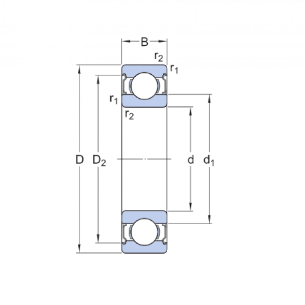
Ložisko 6015 2RS - CX

Rozmer: 75x115x20 Značka: CX
Externý sklad na dopyt
+
-
ks