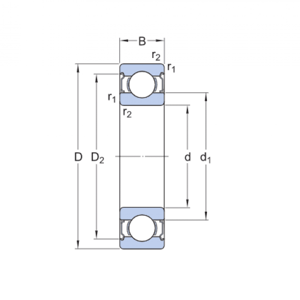
Ložisko 6015 2RS - KOYO

Rozmer: 75x115x20 Značka: KOYO-TORRINGTON
Externý sklad na dopyt
+
-
ks