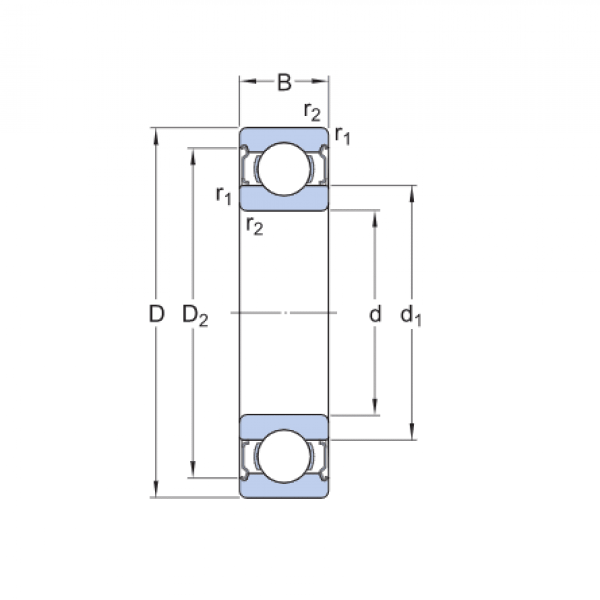
Ložisko 6015 2RS - MTM

Rozmer: 75x115x20 Značka: MTM
Skladom 5 ks na dopyt
+
-
ks