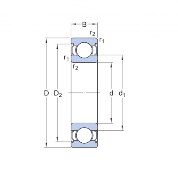
Ložisko 6015 2RS - ZVL

Rozmer: 75x115x20 Značka: ZVL
Externý sklad na dopyt
+
-
ks