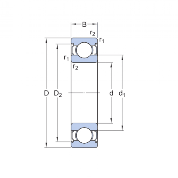
Ložisko 6015 2RSR - FAG

Rozmer: 75x115x20 Značka: FAG
Externý sklad na dopyt
+
-
ks