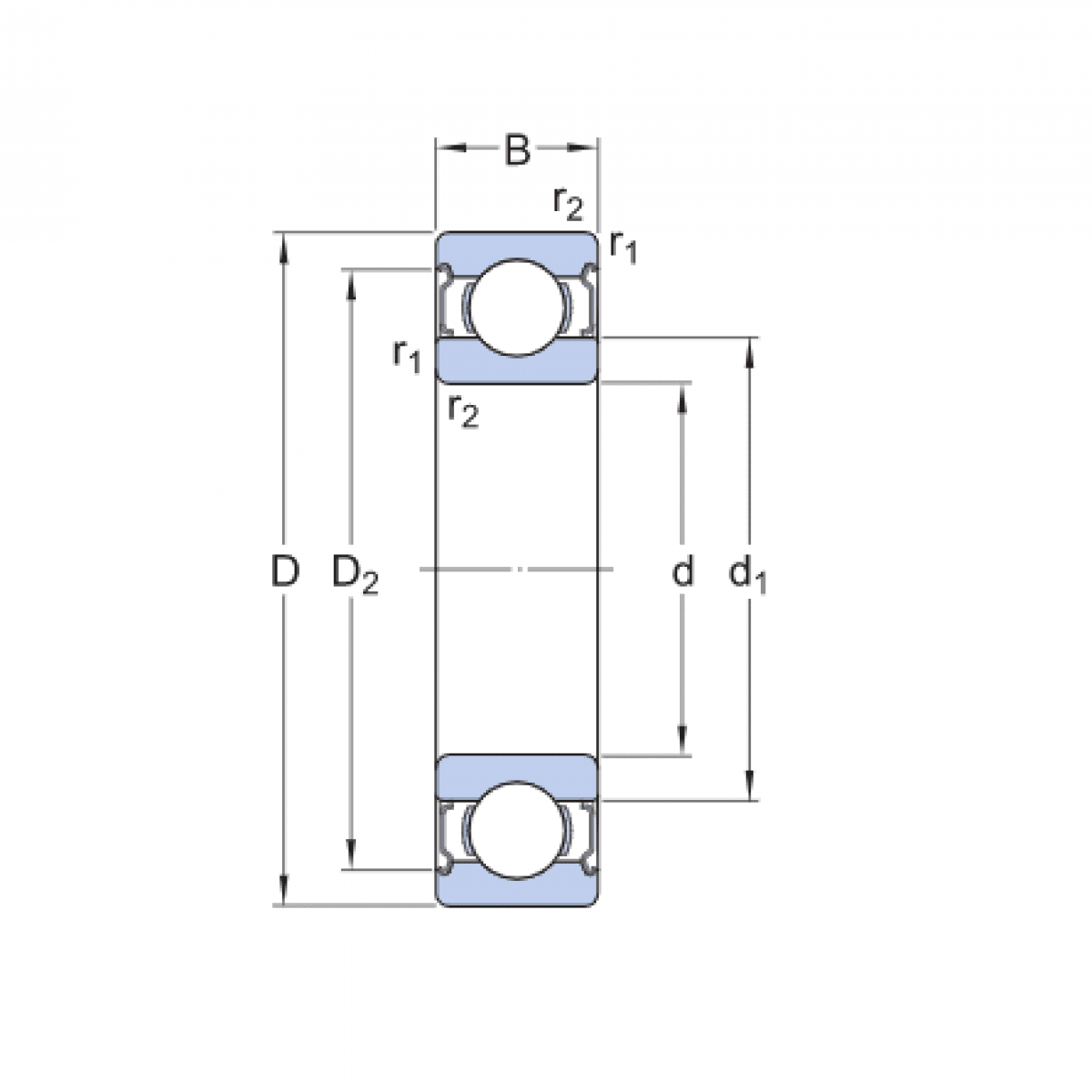
Ložisko 6015 2Z C3 - SKF

Rozmer: 75x115x20 Značka: SKF
Skladom 5 ks na dopyt
+
-
ks