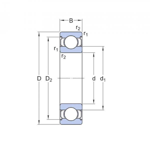
Ložisko 6015 2Z C3 - ZVL

Rozmer: 75x115x20 Značka: ZKL
Externý sklad na dopyt
+
-
ks