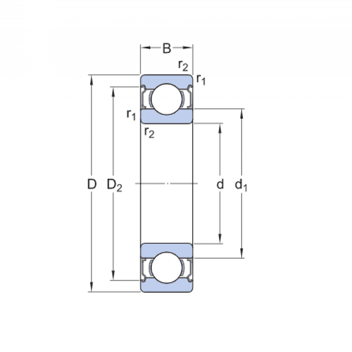
Ložisko 6015 2Z - ZKL NEW

Rozmer: 75x115x20 Značka: ZKL
Externý sklad na dopyt
+
-
ks