Ložisko 6015 2Z - ZVL

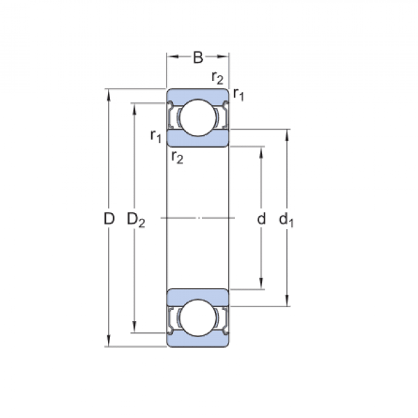
Rozmer: 75x115x20 Značka: ZVL
Skladom 2 ks na dopyt
+
-
ks