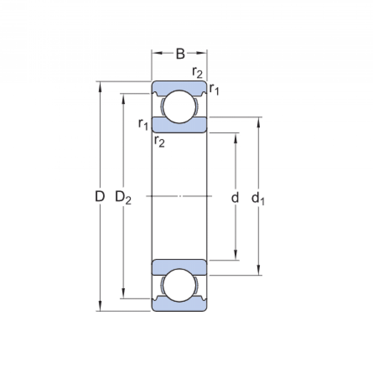
Ložisko 6015 C3 - SKF

Rozmer: 75x115x20 Značka: SKF
Skladom 6 ks na dopyt
+
-
ks