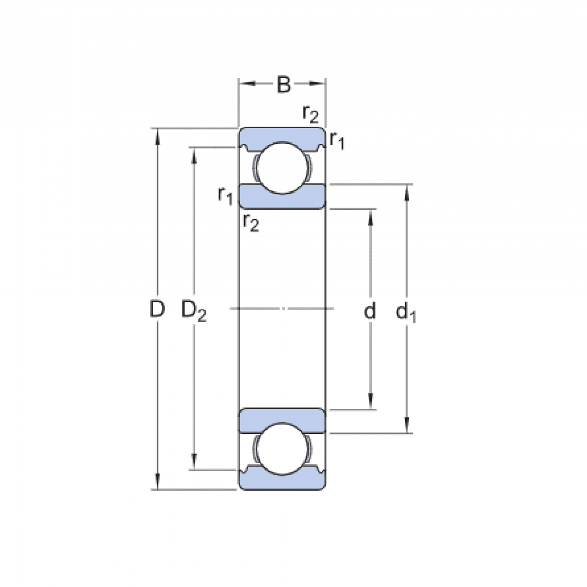
Ložisko 6015 C3 - ZKL

Rozmer: 75x115x20 Značka: ZKL
Skladom 1 ks na dopyt
+
-
ks