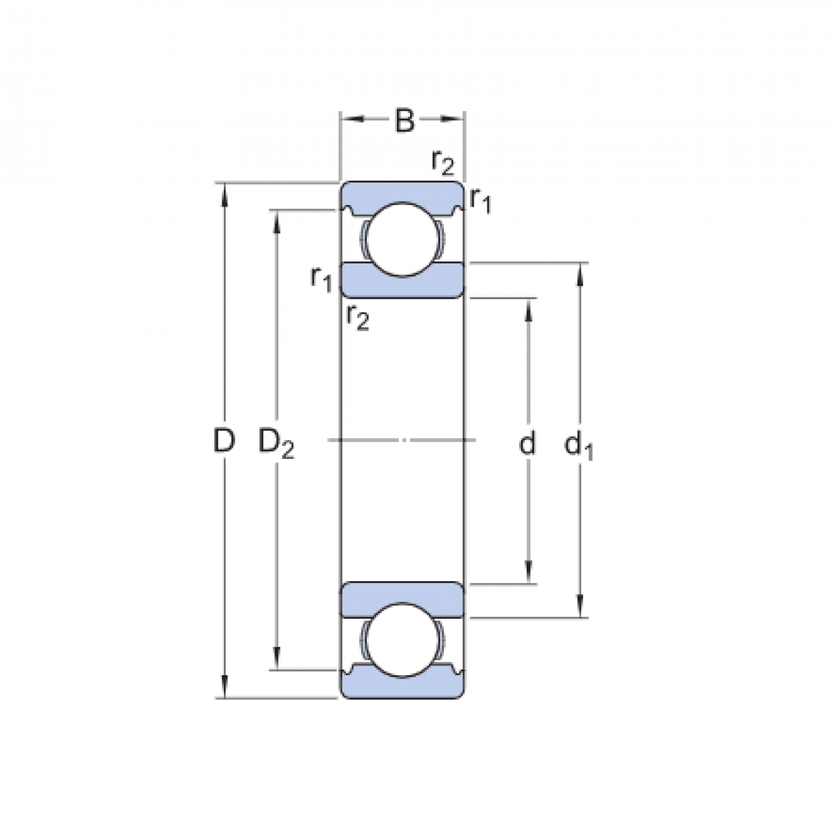
Ložisko 6015 C4 - SKF

Rozmer: 75x115x20 Značka: SKF
Skladom 2 ks na dopyt
+
-
ks