Ložisko 6016 2RS1 C3 - SKF

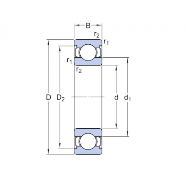
Rozmer: 80x125x22 Značka: SKF
Skladom 9 ks na dopyt
+
-
ks