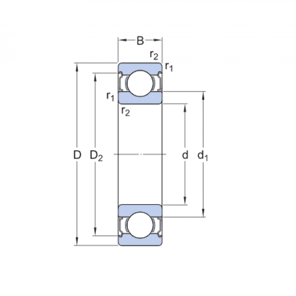
Ložisko 6016 2RS1 - SKF

Rozmer: 80x125x22 Značka: SKF
Skladom 10 ks na dopyt
+
-
ks