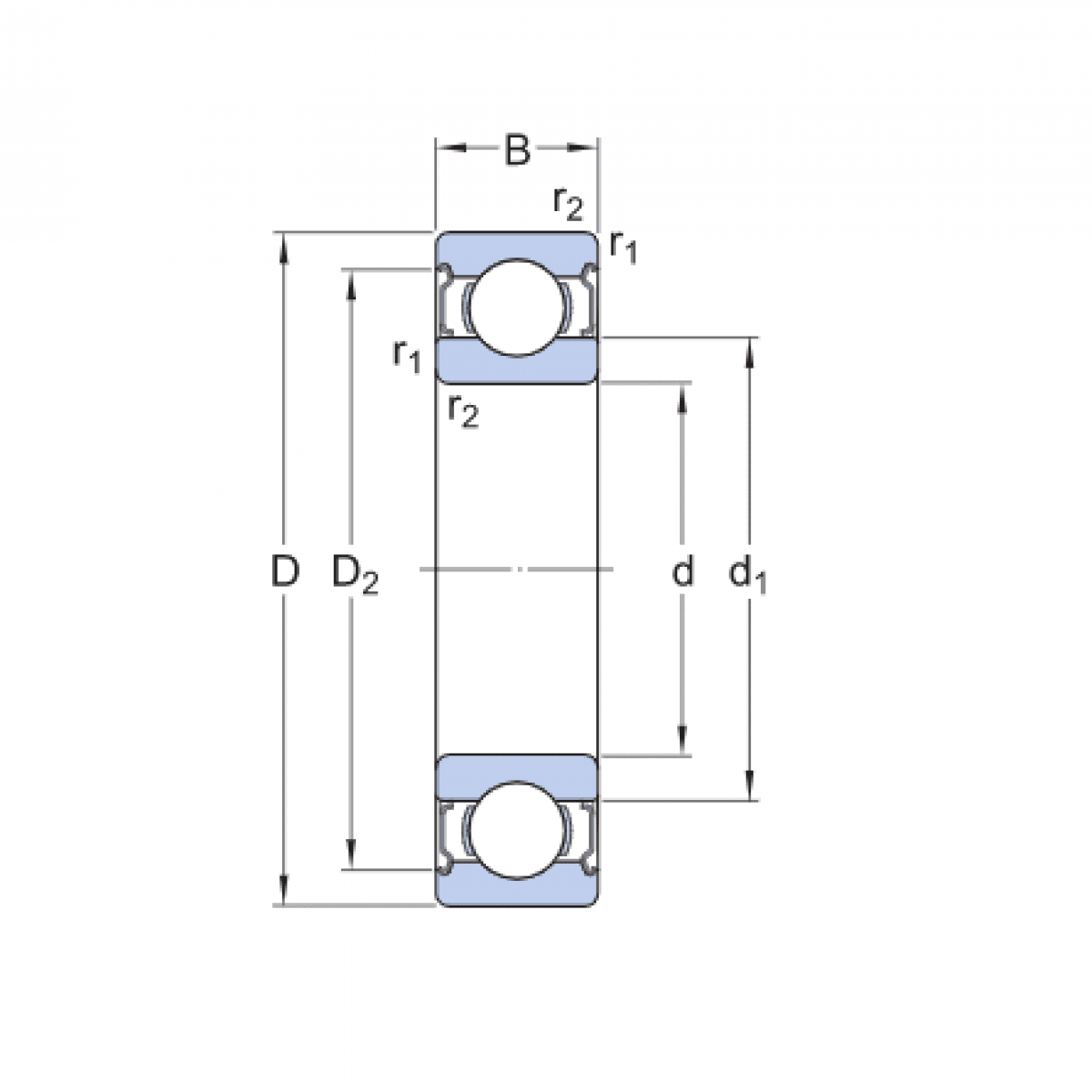
Ložisko 6016 2Z - CX

Rozmer: 80x125x22 Značka: CX
Externý sklad na dopyt
+
-
ks