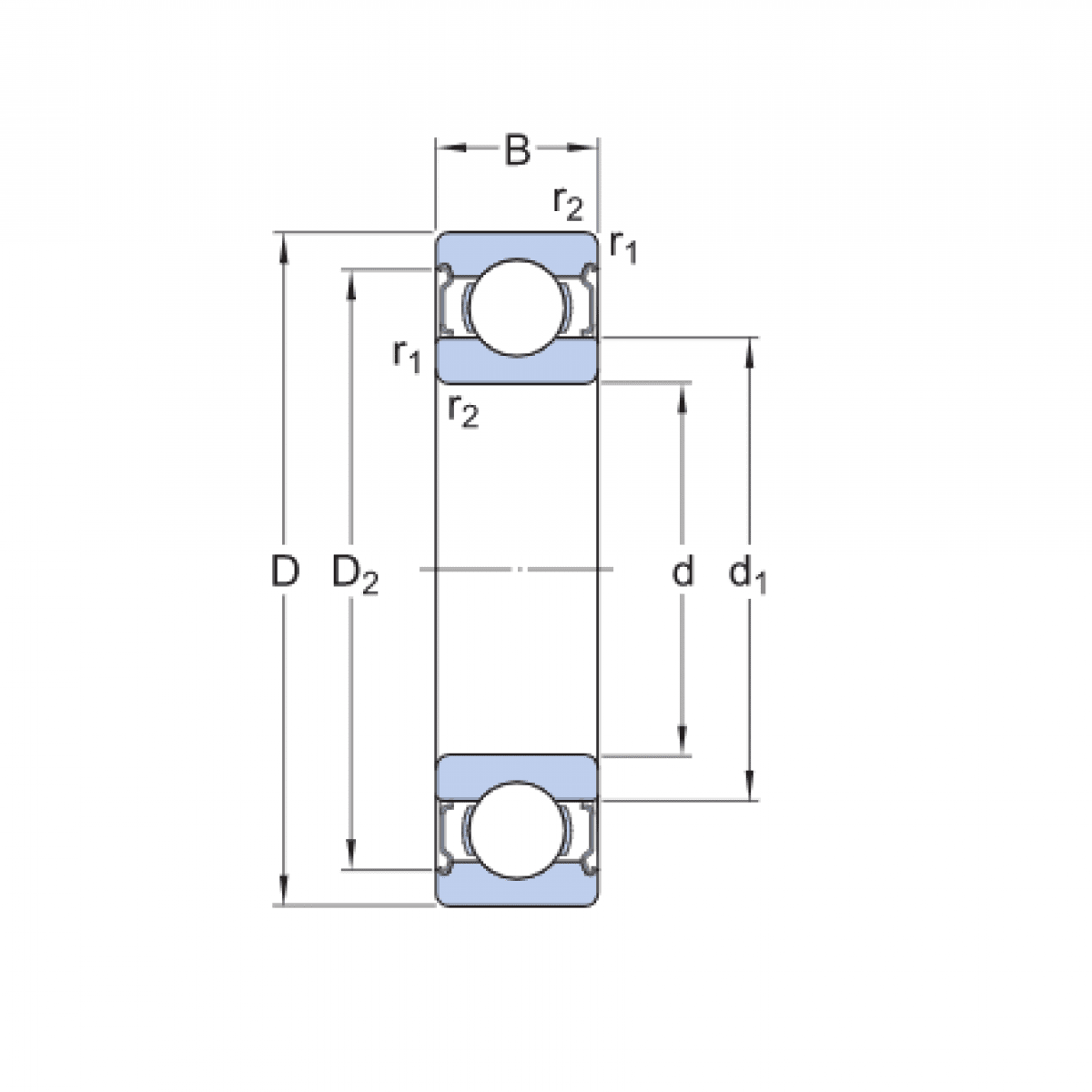
Ložisko 6016 2Z - KBS

Rozmer: 80x125x22 Značka: KBS, KBC
Externý sklad na dopyt
+
-
ks