Ložisko 6016 2Z - MTM

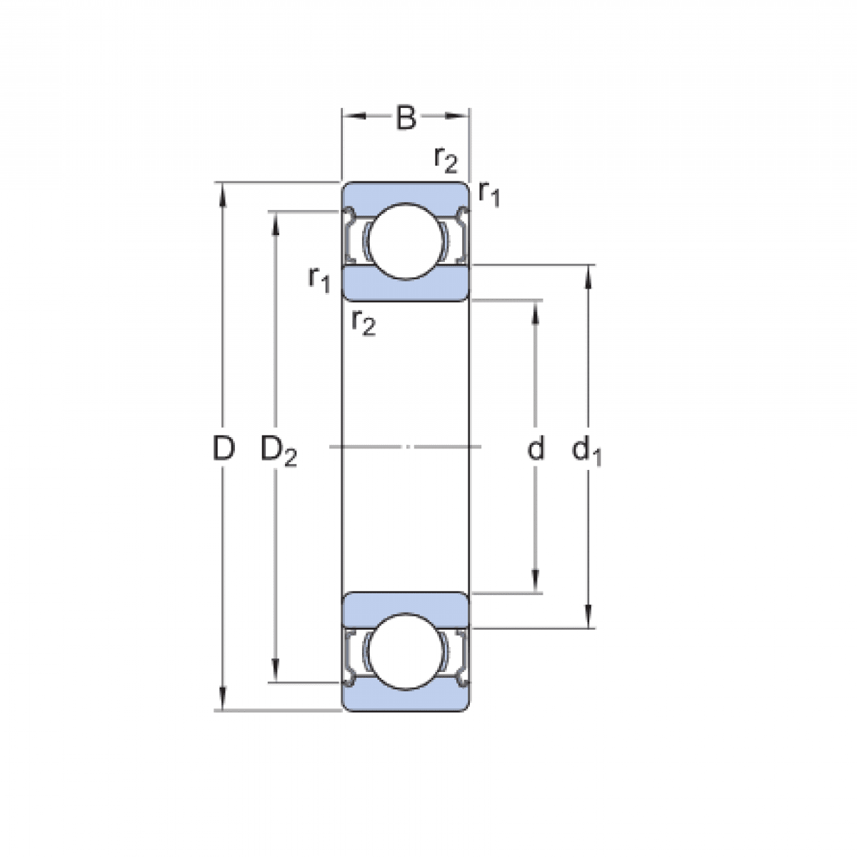
Rozmer: 80x125x22 Značka: MTM
Skladom 1 ks na dopyt
+
-
ks