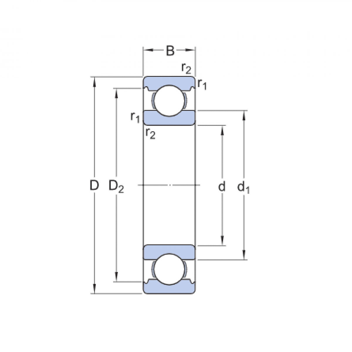
Ložisko 6016 C3 - ZKL NEW

Rozmer: 80x125x22 Značka: ZKL
Externý sklad na dopyt
+
-
ks