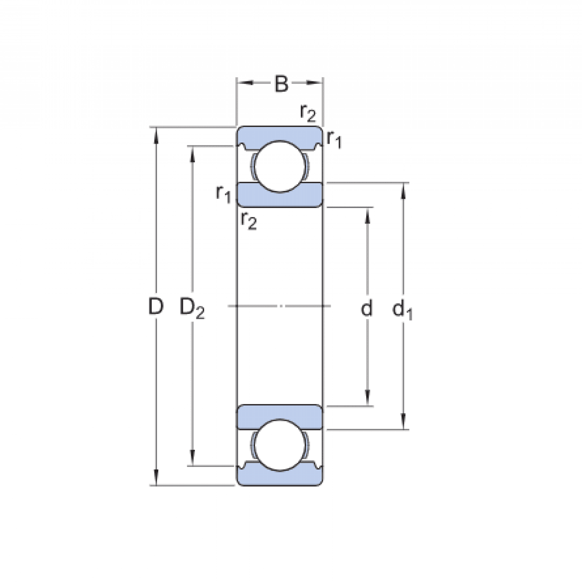
Ložisko 6016 M C3 - FAG

Rozmer: 80x125x22 Značka: FAG
Externý sklad na dopyt
+
-
ks