Ložisko 6017 2RS - MTM

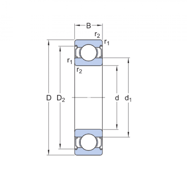
Rozmer: 85x130x22 Značka: MTM
Skladom 1 ks na dopyt
+
-
ks