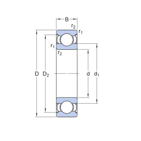
Ložisko 6017 2RSR C3 - KOYO

Rozmer: 85x130x22 Značka: KOYO-TORRINGTON
Externý sklad na dopyt
+
-
ks