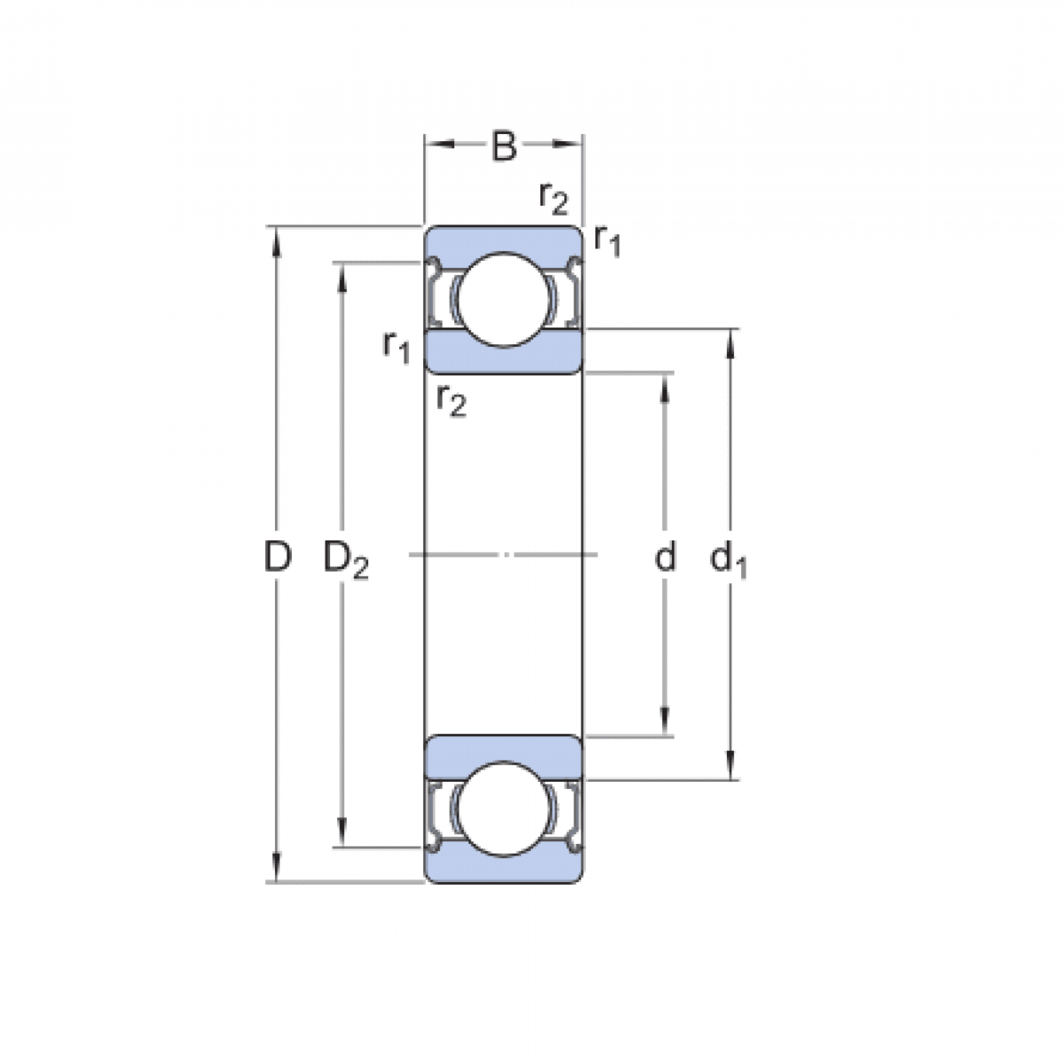
Ložisko 6017 2Z C3 - SKF

Rozmer: 85x130x22 Značka: SKF
Skladom 2 ks na dopyt
+
-
ks