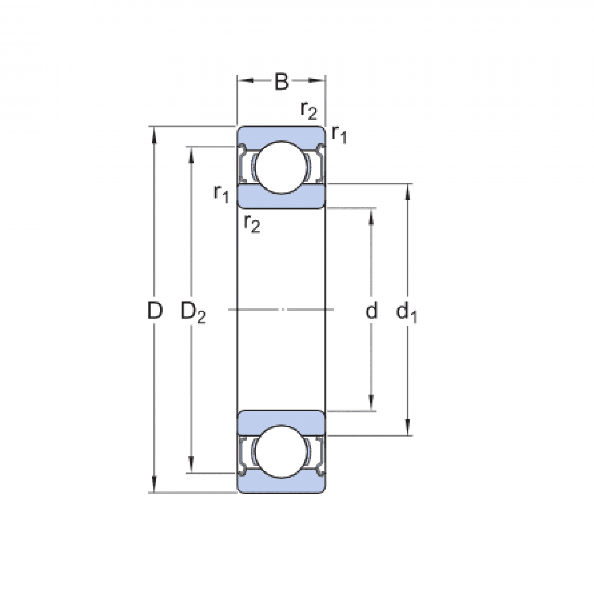
Ložisko 6017 2Z - MTM

Rozmer: 85x130x22 Značka: MTM
Externý sklad na dopyt
+
-
ks