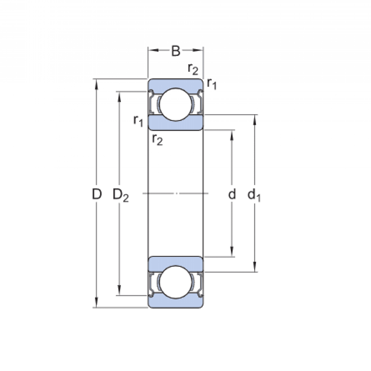
Ložisko 6017 2ZR - FAG

Rozmer: 85x130x22 Značka: FAG
Externý sklad na dopyt
+
-
ks