Ložisko 6017 M C3 - FAG

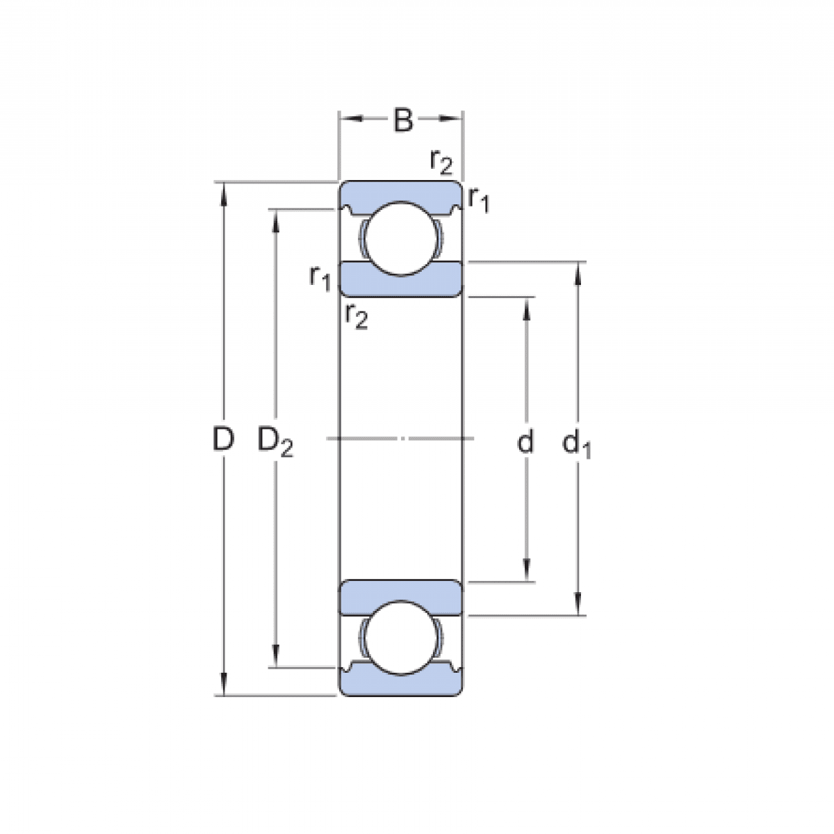
Rozmer: 85x130x22 Značka: FAG
Skladom 1 ks na dopyt
+
-
ks