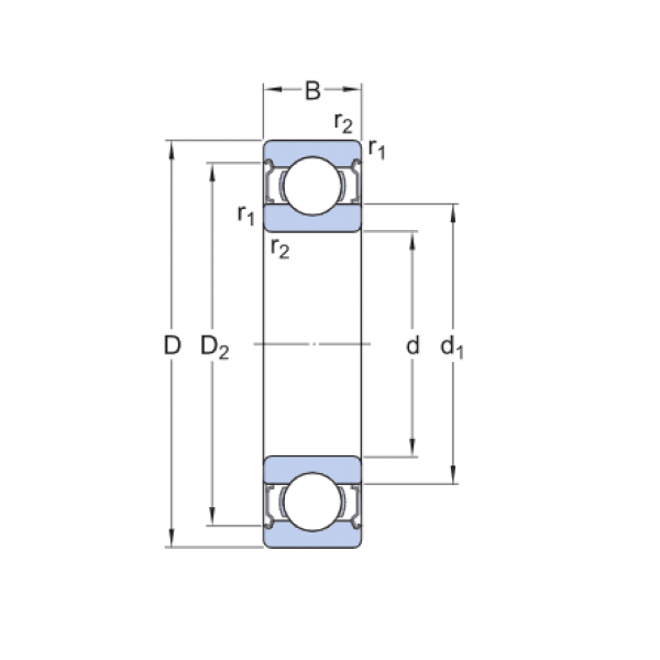
Ložisko 6018 2RS - CX

Rozmer: 90x140x24 Značka: CX
Skladom 1 ks na dopyt
+
-
ks