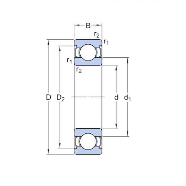
Ložisko 6018 2RS - FAG

Rozmer: 90x140x24 Značka: FAG
Externý sklad na dopyt
+
-
ks