Ložisko 6018 2RS - SKF

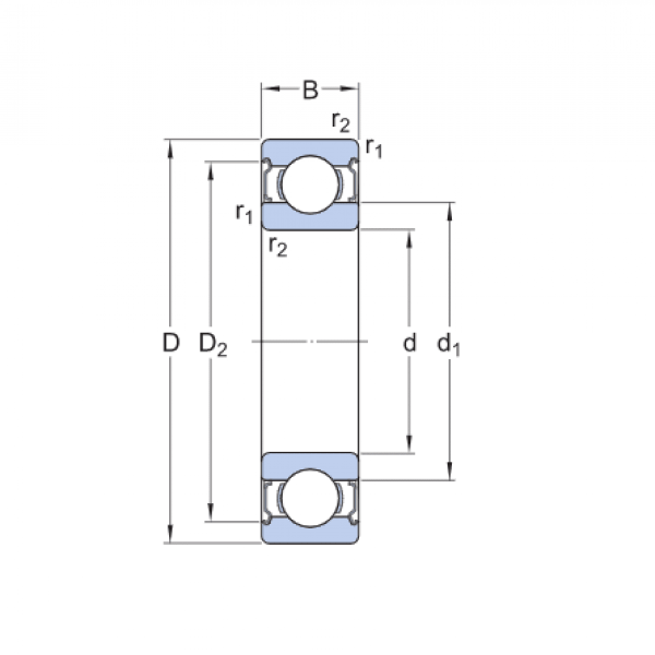
Rozmer: 90x140x24 Značka: SKF
Skladom 4 ks na dopyt
+
-
ks