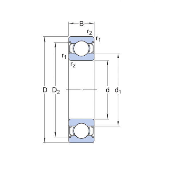
Ložisko 6018 2RS - ZKL NEW

Rozmer: 90x140x24 Značka: ZKL
Externý sklad na dopyt
+
-
ks