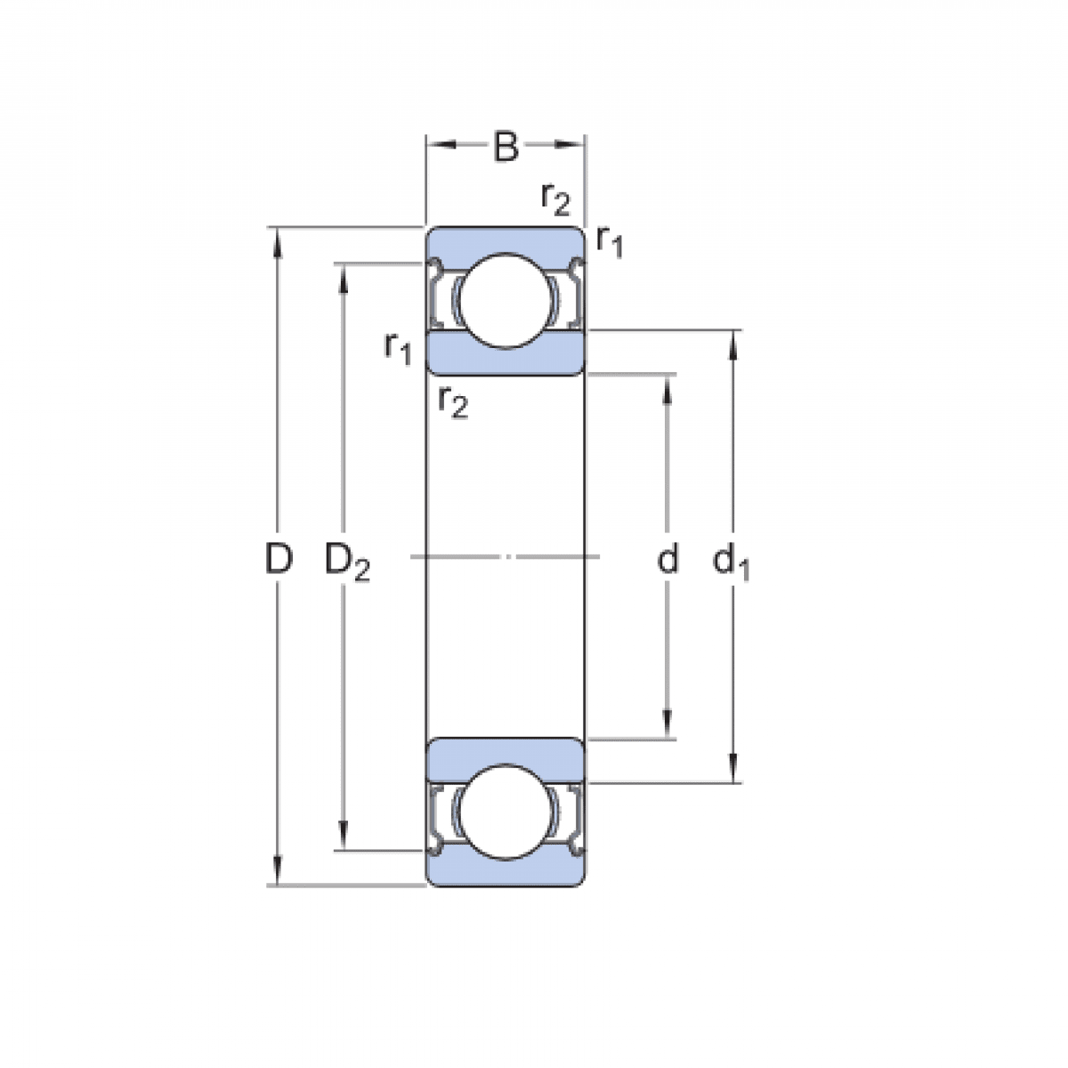
Ložisko 6018 2Z - CX

Rozmer: 90x140x24 Značka: CX
Skladom 4 ks na dopyt
+
-
ks