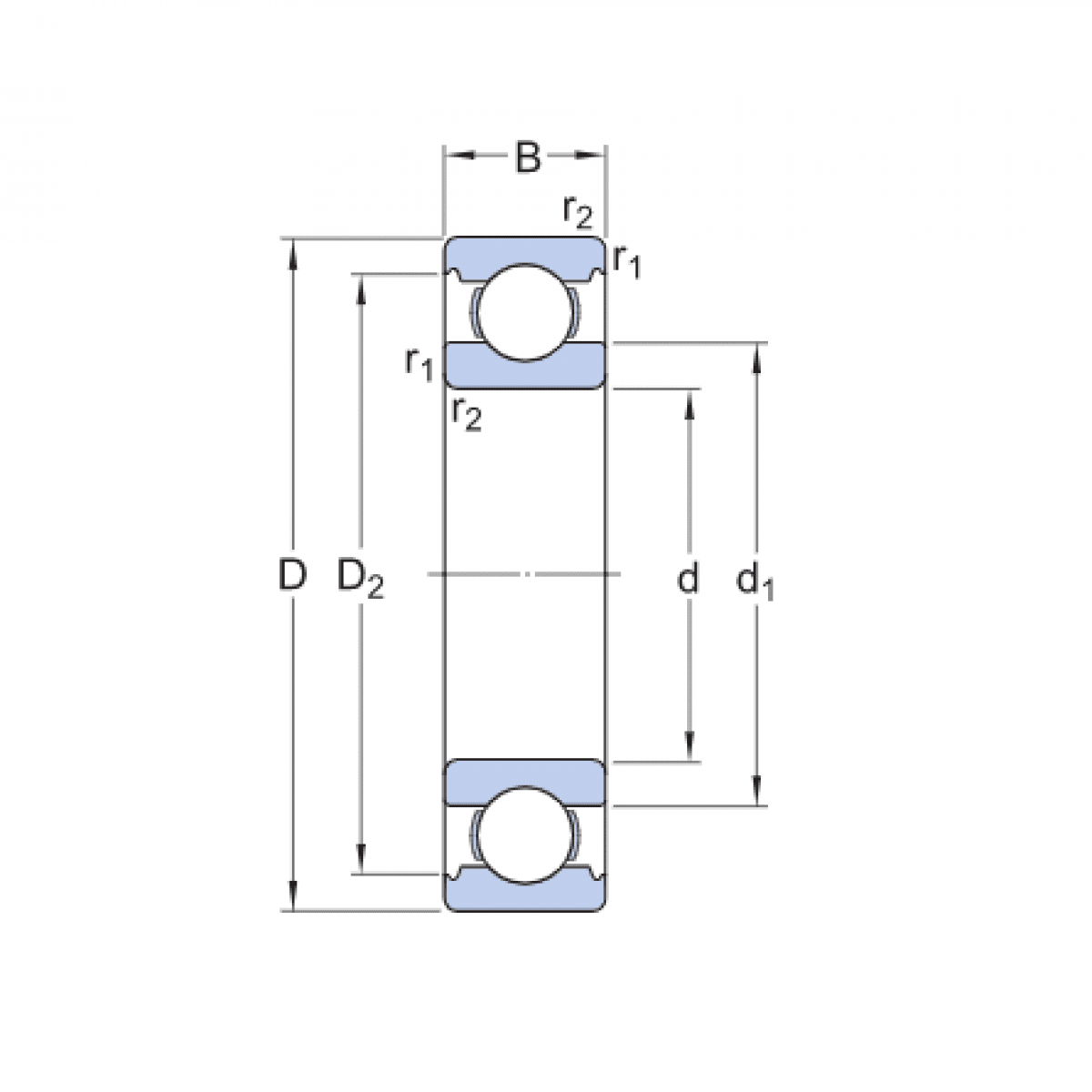
Ložisko 6018 - DKF

Rozmer: 90x140x24 Značka: DKF
Externý sklad na dopyt
+
-
ks