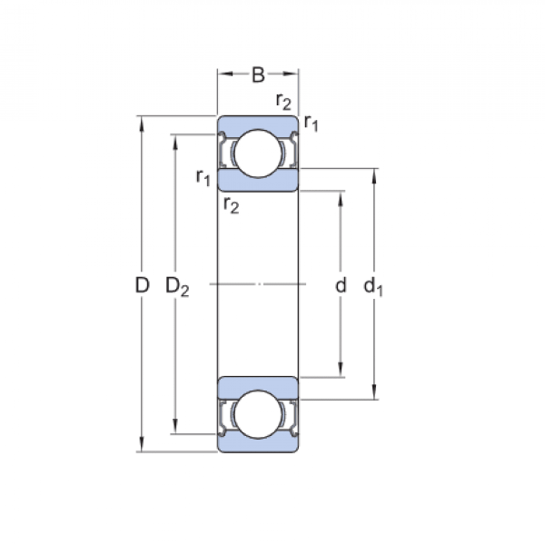
Ložisko 6019 2RS - SKF

Rozmer: 95x145x24 Značka: SKF
Skladom 2 ks na dopyt
+
-
ks