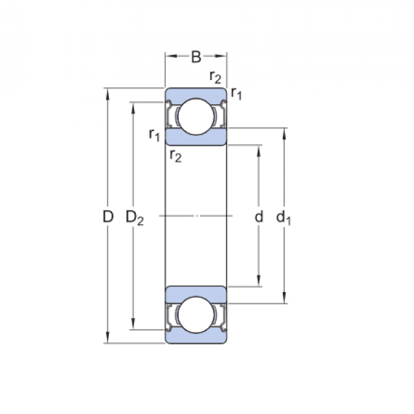
Ložisko 6019 2RS - ZVL

Rozmer: 95x145x24 Značka: ZVL
Externý sklad na dopyt
+
-
ks