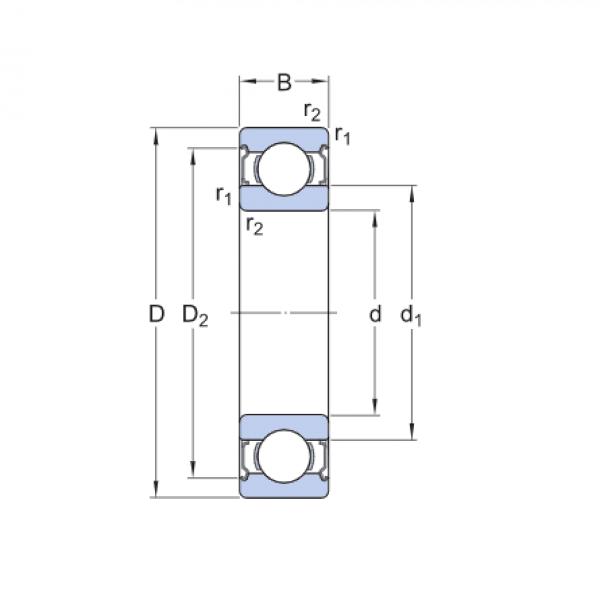
Ložisko 6019 2RSR - FAG

Rozmer: 95x145x24 Značka: FAG
Externý sklad na dopyt
+
-
ks