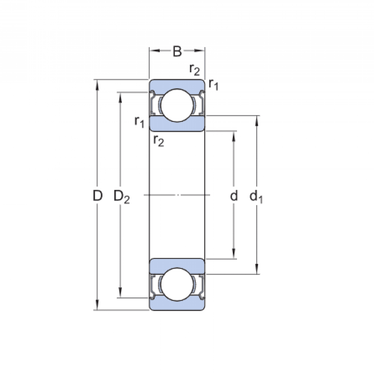
Ložisko 6019 2Z - CX

Rozmer: 95x145x24 Značka: CX
Skladom 1 ks na dopyt
+
-
ks